PWM motor controller STM32
Tags
Arduino
Published on Aug 3, 2025 |
0 Likes
Description
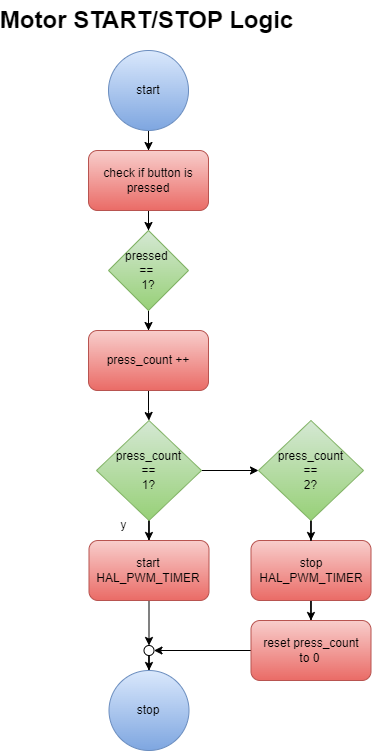
A very simple DC motor controller using STM32 and speed control with potentiometer
Github Link
Tools used
- Easy EDA
Project Files (4)
| Filename | Type | Date Modified | |
|---|---|---|---|
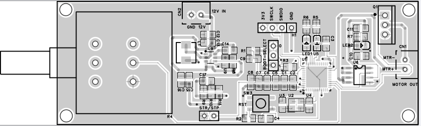
| pcb-3d.png | PNG | Aug 3, 2025 | |
| pcb-tracks.png | PNG | Aug 3, 2025 | |
| start-stop.png | PNG | Aug 3, 2025 | |
| top-outline.png | PNG | Aug 3, 2025 |
Specifications
2-layer board
0
0
0
Published: Aug 3, 2025
Published: Aug 3, 2025
The zip bundles together all the project files including schematic files, gerber files, 3D designs,
BOM, drill files, datasheets etc.
*MakePCB is a shared platform. We are not responsible for any design issues
copyright info
Attribution-ShareAlike (CC BY-SA)
Attribution-ShareAlike (CC BY-SA)
Related projects
Tools: EasyEDA, GIMP
Tools: Kicad, ESP32
Tools: Altium Designer
Comments (0)
Please Log in to add comments

